阀门参数 | |
| 本体材料 | A105/LF2 |
| 公称压力 | 600# |
| 公称直径 | 6" |
| 连接方式 | RTJ |
| 操作类型 | ASME B16.10 |
| 测试与试验 | API 598/ISO 5208 |
| 设计标准 | ISO9001, ISO14001, ISO28001, TS, CE,TUV |
特别说明:此参数表仅为本页面产品所列,如有需要我们可根据客户的要求做特殊材料。 | |
细节描述 | |||
| 阀座注脂设计 | |||
![]() | 如果阀门有任何泄漏,阀门会紧急注脂。 | ||
| 全通径 | |||
![]() | 根据API 6D标准,100%开启全通径。我们还可以生产缩径球阀。 | ||
| RTJ | |||
![]() | RTJ表面非常清晰光滑。在阀门加工过程中,非常小心地保护它们,没有任何表面划痕 | ||
| 序列号 | |||
![]() | 每个阀门都有客户提供的唯一识别号和标签号。 | ||
图纸 | |||
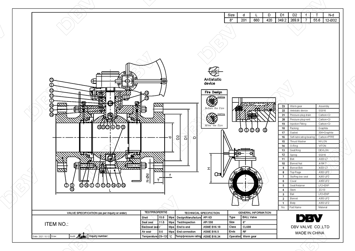
![]() | |||




