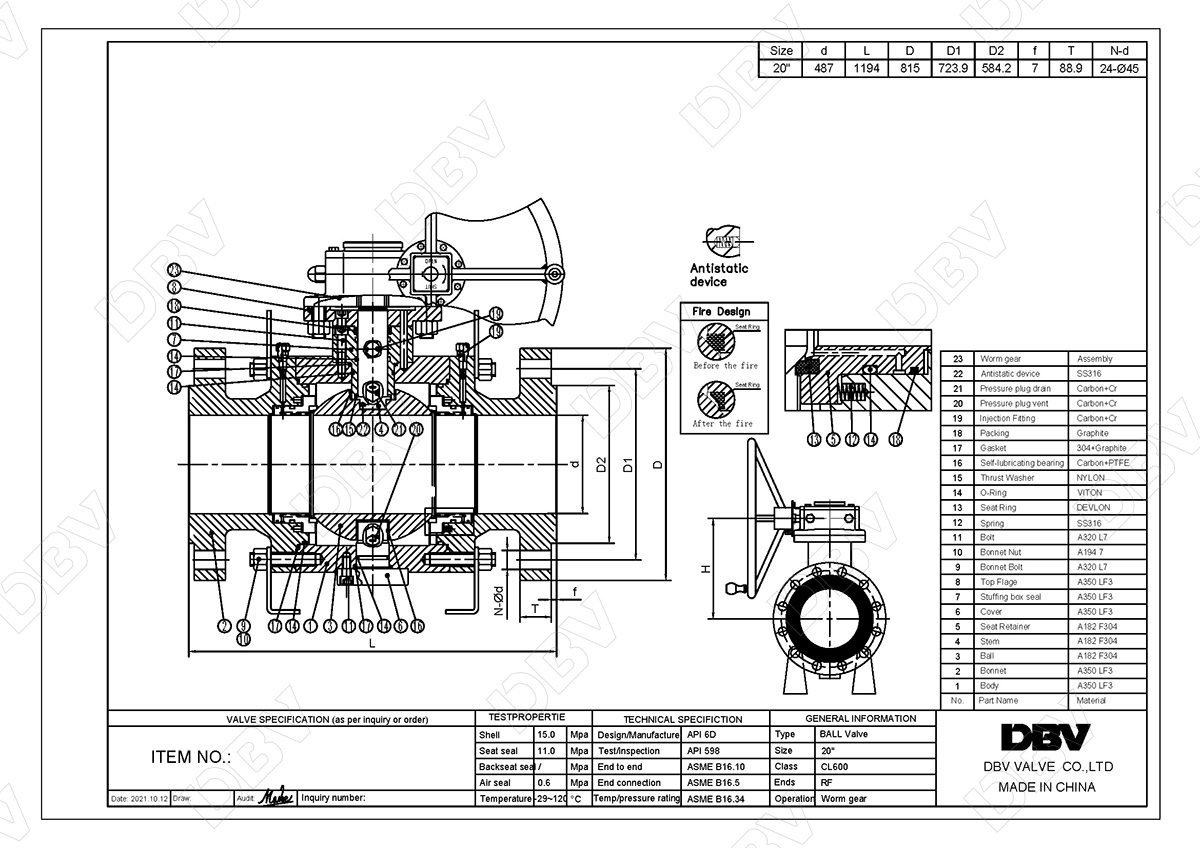
阀门参数 | |
| 本体材料 | LF3 |
| 公称压力 | CLASS 600 |
| 公称直径 | 20" |
| 连接方式 | 法兰 |
| 结构长度 | ASME B16.10 |
| 测试与试验 | API 598/ISO 5208 |
| 证书 | ISO9001, ISO14001, ISO28001, TS, CE,TUV |
特别说明:此参数表仅为本页面产品所列,如有需要我们可根据客户的要求做特殊材料。 | |
细节描述 | |||
| 标记 | |||
![]() | 东宝的每个阀门在阀体上都有清晰的标记,我们的大尺寸球阀也可以达到A级泄漏(零泄漏) | ||
| 法兰水线 | |||
![]() | ASME B16.5规范要求法兰面(凸面和平面)具有特定的粗糙度,以确保该表面与垫圈兼容,并提供高质量的密封 | ||
| 全通径 | |||
![]() | 根据API 6D标准,100%开启全通径,我们还可以生产缩径球阀 | ||
| 阀杆注脂设计 | |||
![]() | 定期注脂,防止填料干燥导致泄漏 | ||
图纸 | |||
![]() | |||




