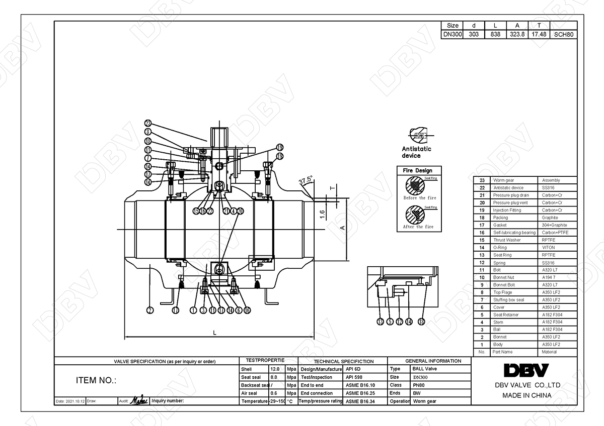
阀门参数 | |
| 本体材料 | LF2 |
| 公称压力 | PN80 |
| 公称直径 | DN300 |
| 连接方式 | 对焊 |
| NACE | NACE 0175 |
| 测试与试验 | API 598/ISO 5208 |
| 结构长度 | API6D/ASME B16.10 |
特别说明:此参数表仅为本页面产品所列,如有需要我们可根据客户的要求做特殊材料。 | |
细节描述 | |||
| 阀体标记 | |||
![]() | 我东宝的每个阀门在阀体上都有清晰的标记,我们的大尺寸球阀也可以达到A级泄漏(零泄漏)。 | ||
| 全通径 | |||
![]() | 根据API 6D标准,100%开启全通径;我们还可以生产缩径球阀。 | ||
| 对焊连接 | |||
![]() | ASME B16.5规范要求水线具有特定的粗糙度,以确保该表面与垫圈兼容,并提供高质量的密封。 | ||
| 上法兰 | |||
![]() | 上法兰法兰设计符合ISO 5211,支架便于组装蜗轮、气动、电动、液动和气液联动执行器。 | ||
图纸 | |||
![]() | |||




