首页
产品中心
蝶阀系列
球阀系列
止回阀
截止阀
闸阀
公司实力
公司介绍
技术支持
新闻资讯
EN-
国家高新技术企业 致力于多领域流体控制一体化解决方案
0577-67381000 手机 13968979847、18964505001
08:30 - 17:30
[email protected]
首页
产品中心
蝶阀系列
球阀系列
止回阀
截止阀
闸阀
公司实力
公司介绍
技术支持
新闻资讯
EN-
首页 >
止回阀 >
双相不锈钢轴流无阀瓣止回阀
双相不锈钢轴流无阀瓣止回阀
轴流式止回阀是根据流体力学原理设计的流线腔止回阀。流线型腔室和内部导流体将压力损失降至低质量
请联系顶部电话
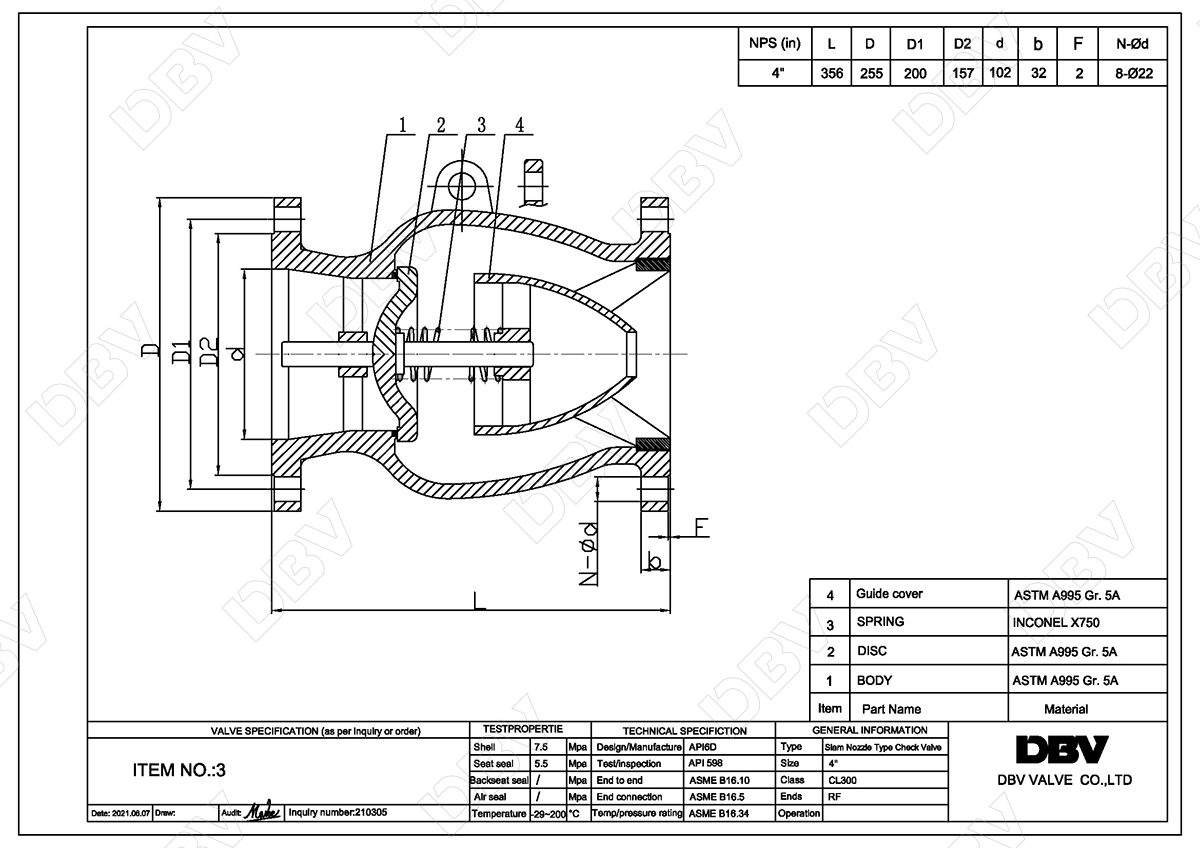
阀门参数
本体材料
ASTM A995 Gr.5A
公称压力
CL300
公称直径
4"
连接方式
法兰
测试与试验
API598
设计标准
API6D
特别说明:此参数表仅为本页面产品所列,如有需要我们可根据客户的要求做特殊材料。
细节描述
阀体设计
轴流结构和精确的流道使压力损失小,介质流动稳定,无气蚀
阀瓣设计
阀瓣支架和销的特殊结构和表面处理消除了阀卡现象。它能均匀地关闭和打开,避免了由于阀瓣的重力而使阀瓣不能停留在密封位置的中心的常见缺陷。因此,该阀门具有极好且持久的密封效果
导向部件
导向弹簧加载提升阀系统可最大限度地提高效率,减少水锤,同时防止流体倒流。设计用于法兰安装,该阀门在任何位置都能正常工作
凸面法兰
东宝可以生产各种连接方式的阀门,如RF、RTJ、BW、NPT等。凸面法兰是工艺装置应用中最常见的类型
图纸
相关推荐
止回阀
对夹式双板止回阀
止回阀
旋启式止回阀
止回阀
青铜旋启式止回阀
止回阀
双相不锈钢轴流无阀瓣止回阀
Copyright ©2023 东宝阀门有限公司
沪ICP备16026486号-3
沪公网安备31011802002882号
销售顾问
13968979847
加盟热线
18966265910
邮件询单
返回顶部